|
旋風式汽水分離器
一、旋風式汽水分離器簡介 汽水分離器俗稱氣液分離器又名汽水分離器、氣液分離器、汽水分離器,主要用于壓縮空氣、蒸汽、甲烷、煤氣、氫氣、氮氣等各種氣體中除汽水的最簡單的使用設備。 二、旋風式汽水分離器工作原理 通過五級分離—降速、離心、碰撞、變向、凝聚等原理,除去壓縮空氣(氣體)中的液態汽、水份,達到凈化的作用。濕氣在冷卻過程中冷凝后在分離器中當班迫使氣體改變方向,安適當的速度選裝,產生離心力高效的分離出液體可顆粒,再次期間排水器要及時排放出冷凝液,此汽水分離器常安置在后冷卻器的后面,因為進氣溫度越低分離的效果越好,一般溫度不超過200oC。 三、旋風式汽水分離器產品特點 除水效率高:可除去99%的液態水份,汽份。 安裝方便,管道式連接、可懸掛安裝。 免維護、可靠性好。 壽命長:可使用8-10年。 按GB150壓力容器標準制造,安全可靠。 可選配:自動排水器、手動排水器、液位計、蒸汽閥(根據使用 溫度選取)。 四、旋風式汽水分離器技術改進細節 1、本產品增加了單獨導液管,在蒸汽中含有水份非常大的情況下,會有一部分水份隨蒸汽聚集在換向斜板上,水份會隨著導液管流入集液裝置中。提高了除水效率。 2、本產品在原有強制旋流管上加上了消泡網,使汽體中的水份更容易分離,并附在網上,加裝了集液過濾器,收集到的水不會再被水蒸汽體帶走,更好提高分離效率. 3、集液過濾器中加裝了過濾裝置,可以對分離出來水或油中的雜質起到很強過濾作用,完全解決了自動放水閥常被雜質堵塞的問題。

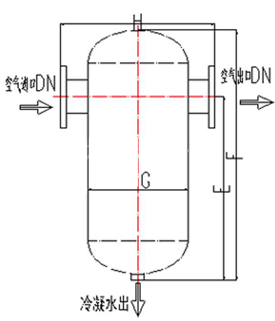
五、規格型號
| 型號 | 處理量 | 外形尺寸mm | 進出氣口DN | 排污尺寸 | 重量kg | | m3/min | |
|
| E | F | G | H |
|
|
| | HY-XFQFF | 6 | 220 | 400 | 133 | 190 | 25 | G1/2 | 12 | | HY-XFQF | 18 | 400 | 600 | 159 | 220 | 25 | G1/2 | 17 | | HY-XFQF | 18 | 400 | 600 | 159 | 250 | 50 | G1/2 | 19 | | HY-XFQF | 42 | 510 | 760 | 219 | 480 | 80 | G1/2 | 59 | | HY-XFQF | 60 | 580 | 850 | 273 | 560 | 80 | G1/2 | 98 | | HY-XFQF | 60 | 580 | 850 | 273 | 560 | 100 | G1/2 | 102 | | HY-XFQF | 60 | 580 | 850 | 273 | 560 | 125 | G1/2 | 108 | | HY-XFQF | 120 | 580 | 990 | 426 | 700 | 125 | G1/2 | 148 | | HY-XFQF | 150 | 630 | 1040 | 426 | 700 | 200 | G1/2 | 165 | | HY-XFQF | 200 | 770 | 1180 | 426 | 700 | 250 | G1/2 | 202 | | HY-XFQF | 300 | 950 | 1450 | 478 | 760 | 250 | G1/2 | 251 | | HY-XFQF | 400 | 1400 | 1950 | 630 | 900 | 300 | G1/2 | 387 |
注:列表尺寸為參考尺寸,詳情請根據實際產品
信息來源:
www.cdruiyu.cn
聯系人:張女士 13462390461
QQ:3524791964
|