|
旋風式汽水分離器
汽水分離器的工作原理:大量含水的蒸汽進入汽水分離器,并在其中以離心向下傾斜式運動;夾帶的水份由于速度降低而被分離出來;被分離的液體流經疏水閥排出,干燥清潔的蒸汽從分離器出口排出。 汽水分離器可分為擋板型、旋風型、吸附型,新鄉市華豫濾器有限公司是生產過濾裝置、凈化設備、油水/氣分離裝置和各種精密濾芯的生產廠家。公司實力雄厚、設備先進、工藝精良、有完善的監測手段。能夠根據用戶的使用要求,對用戶的設備、工程進行改造合設計。公司有完善的服務網絡,為用戶提供快速周到地服務。 HY-QF系列沼汽體過濾器是我公司在成熟的過濾技術基礎上研制開發的新一代空氣凈化裝置系列之一。該產品操作簡便,可有效地進行脫油、脫水、凈化機雜質,使被過濾氣體干燥、清潔達到用氣標準。 汽水分離器的特點 1、除水效率高:可除去99%的液態水份 2、體積小、重量輕。 3、安裝方便,管道式連接、可懸掛安裝。 4、免維護、可靠性好。 5、壽命長:可使用20年。 6、按GB150壓力容器標準制造,安全可靠。 7、可選配:自動排水器或手動排水器;液位計;不銹鋼材料;高的壓力。
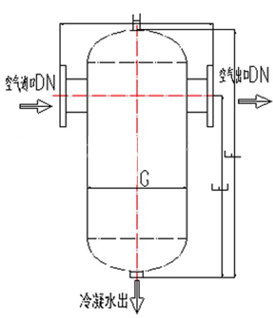
旋風式汽水分離器的外形圖


旋風式汽水分離器的技術參數
| 型號 | 處理量m3/min | 外形尺寸mm | 進出氣口DN | 排污口尺寸 | 重量kg | 配套后冷卻器型號 | | E | F | G | H | | QF6/1 | 6 | 220 | 400 | 133 | 190 | G1" | G1/4" | 12 | HL4/1 ,HL2/1 | | QF20/1 | 18 | 400 | 600 | 159 | 220 | G1" | G1/4" | 17 | HL5/1,6/1, | |
| 18 | 400 | 600 | 159 | 250 | G2" | G1/4" | 19 | HL10/1 | | QF40/1 | 42 | 510 | 760 | 219 | 480 | 80 | G1/2" | 59 | HL13/1,20/1 | | QF60/1 | 60 | 580 | 850 | 273 | 560 | 80 | G1/2" | 98 | HL30/1 | |
| 60 | 580 | 850 | 273 | 560 | 100 | G1/2" | 102 | HL40/1 | |
| 60 | 580 | 850 | 273 | 560 | 125 | G1/2" | 108 | HL60/1,70/1,80/1 | | QF120/1 | 120 | 580 | 990 | 410 | 700 | 125 | G1/2" | 148 | HL100/1 | | QF150/1 | 150 | 630 | 1040 | 410 | 700 | 200 | G1/2" | 165 | HL150/1 | | QF200/1 | 200 | 770 | 1180 | 410 | 700 | 250 | G1/2" | 202 | HL200/1 | | QF300/1 | 300 | 950 | 1450 | 462 | 760 | 250 | G1/2" | 251 | HL280/1 | | QF400/1 | 400 | 1400 | 1950 | 612 | 900 | 300 | G1/2" | 387 | HL370/1 |
信息來源:
www.cdruiyu.cn
聯系人:張女士 13462390461
QQ:3524791964
|