|
自清洗過濾器
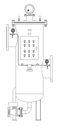
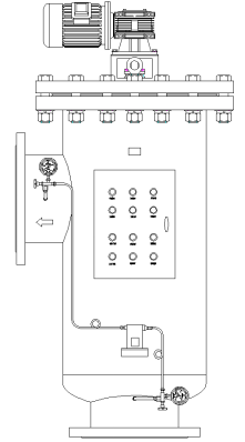
一、 自清洗過濾器簡介 過濾器是水凈化過程中不可缺少的處理手段,用于攔截水中的各種雜質,以凈化水質或保護系統中其他設備的正常工作。普通網式過濾器因其結構簡單、過濾效果好、阻力小而廣泛應用于水源過濾、工業循環水系統等領域,但其缺點是納污量小、易受污物堵塞、清洗工作復雜,必須對設備進行拆卸才能實現對過濾部分的清洗,無法監控過濾器的狀態,而且受人為因素影響比較大,使整個系統的自動化程度很低。全自動過濾器可對原水進行過濾并自動對濾芯進行清洗排污,且清洗排污時系統不間斷供水。該設備與以往的過濾器相比具有自動化程度高,處理量大,可自行清洗排污,并不間斷供水,應用面廣泛等優點。 二、自清洗過濾器使用范圍 全自動自清洗過濾器廣泛適用于循環或非循環冷卻水系統、熱交換系統、中央空調系統、集中供暖系統、熱水鍋爐系統等,分別用來保護冷卻設備、熱交換裝置、空調器、鍋爐等。該設備適用行業面廣,包括建筑、化工、電力、冶金、橡膠、造紙、輕紡、煤炭、食品等行業。該設備要求流經過濾器的水溫不可超過 95℃。入水水質要求:入水中懸浮物小于 200mg/L,短時間允許懸浮物達到 660mg/L。 若水質達不到要求,需在過濾器入水口前加預處理。 三、自清洗過濾器產品功能及特點 1、產品功能:全自動自清洗具有對原水進行過濾并自動對濾芯進行清洗排污的功能,且清洗排污時系統不間斷供水。全自動過濾器的清洗有兩種方式:自動控制和手動控制。 自動控制:自動控制有定時和壓差兩種方式。在過濾時間定時器上設定過濾時間,當過濾時間到,啟動排污,排污時間由排污時間定時器設定;同時控制系統實時將系統壓差與用戶設定的壓差相比較,當系統壓差達到設定壓差時,過濾器也進行清洗排污,排污時間由排污時間定時器設定。排污時間到,停止清洗,系統恢復至其初始狀態,為下一個過濾工序作好備。 手動控制:手動控制是系統調試、系統工作狀態檢測,系統故障排除和按需清洗排污的最佳手段。將操作面板上的“手動/自動”選擇開關撥到手動位置,分別進行手動排污和手動清洗。用戶可根據需要選擇兩種控制方式,具體操作見后面的操作部分。 2、全自動自清洗過濾器產品特點 1) 過濾精度默認為 100 微米,且從 100 至 3000 微米可選,過濾面積大,納污量高, 用戶可根據實際工況定制。 2)清洗方式簡單,且清洗循環電子監控,可實現自動清洗排污。全自動過濾器控制系統中的各參數均可調節。 3)設有電機過載保護,可有效保護電機。 4)全自動自清洗過濾器具有在清洗排污時不間斷供水、無需旁路的特點,且清洗時間短,排污耗水量少,不超過總流量的1% 5)模塊式結構,維修性強,安裝拆卸簡便易行。 6)與用戶管線的連接方式為法蘭連接,法蘭采用國標法蘭,通用性強。 四、自清洗過濾器的技術參數及選型 1.技術參數 ■過濾流量可定制 ■過濾精度從4000微米-20微米 ■濾網可選:鉆孔網、楔形絲網、燒結濾網 ■最小工作壓力≥0.1MPa ■最高工作壓力≤1.6MPa(特殊可定制) ■工作溫度≤70℃ ■電源:380V/50Hz ■清洗電機功率:0.37-1.5KW ■控制電壓:AC24V ■清洗方式:刷式 ■控制方式:壓差、時間、手動 或PLC控制 ■清洗時間:可調,一般為50秒 ■安裝形式:可立式安裝或臥式安裝,多臺并聯可獲得更大流量 ■排污閥直徑:DN25—DN80 ■壓差開關:品牌可選 SOR、UE、上海奉申(默認)等 ■執行器:默認蘇正氣動 2.選型注意事項 為了能更適用客戶的水系統的技術要求,為了最佳的過濾效果,達到為客戶節能、省電、省水、環保的最高要求,多靈環保做為領先的水過濾解決方案供應商,我們的工程師將用最專業技術知識,豐富的應用經驗,為您做出最佳的方案選擇。 您在選擇自清洗過濾器的時候,請考慮以下幾個參數 ■處理流量 ■過濾介質的化學性質 ■過濾介質的懸浮物濃度、特性 ■要求的過濾精度 ■管道的壓力 ■介質溫度 五、自清洗過濾器的結構形式 可根據客戶需求設計安裝形式
 形式一 形式二
 形式三 形式四 3.過濾器材質 ■殼體:碳鋼、304不銹鋼、316L不銹鋼 ■濾網:304不銹鋼、316L不銹鋼 ■排污閥:鑄鋼、不銹鋼 ■控制器:碳鋼噴塑 ■密封圈:丁腈橡膠 ■清洗刷:不銹鋼、尼龍 六、自動排污過濾器安裝及安裝注意事項 1)機體上的箭頭方向為水流方向,過濾器應按此方向安裝,即:系統中水流方向應與箭頭方向一致,不得接反。 2) 排污閥出口應安裝排污管,連接方式為法蘭連接,排污管長度不能超過 15米,且不應有向上的坡角,以免產生背壓。 3)自動排污過濾器安裝方式應注意水流方向不可弄錯,安裝時應盡量使排污閥處于水平位置或向下的位置,以保證排污徹底。 4)自動排污過濾器應串聯安裝在管路系統中,為保證在停機檢修時系統不間斷供水,系統中應設置旁路,過濾器進出口及旁路均應設置截斷用閥門,如:截止閥、球閥、蝶閥等。 5)過濾器規格的選用應與安裝管路相匹配,如:系統管徑為外徑133mm則選 DN125規格過濾器。當過濾器流量不能滿足管路要求時,可將兩個(或多個)過濾器并聯安裝.過濾器應安裝在系統需保護的用水設備之前,其安裝位置應盡量靠近被保護設備。 6)在有可能發生回流的地方,應在過濾器出口安裝止回閥。 7)在動力系統中,過濾器應安裝在泵與設備之間,越靠近設備越好,若泵與設備之間的壓力超過過濾器的極限壓力,則應將過濾器安裝于泵之前,并且盡量靠 近泵。 8)自動排污過濾器電控器安裝電控器出廠時按過濾器默認安裝位置固定,如用戶實際安裝位置與默認不同時,可通過拆下固定電控箱支架的四條安裝螺栓,調整到電控箱支架及電控箱的正確方位后,再將四條螺栓用螺母固定即可。 9)合理選擇安裝環境,注意防水、防雨、防潮。 10)產品出廠前已調試完畢,用戶不可隨意拆卸或調試電控器。 七、自動排污過濾器操作說明 自動排污過濾器的清洗排污過程有手動、自動控制兩種方式。操作面板示意圖如下圖所示,使用方法如下:
 自動排污過濾器手動控制:將“手動/自動”選擇開關旋轉至手動位置,根據需要分別進行手動排污和手動清洗,具體操作見后面的操作部分,選擇開關旋轉至自動位置,進入自動狀態。手動控制狀態是檢查電機和水力控制閥能否正常工作的手段,如果在手動控制狀態不能正常排污自動控制狀態也不會正常工作。 自動排污過濾器自動控制: 將“手動/自動”選擇開關旋轉至自動位置(“壓差/定時”開關在“定時”位置),首先設定過濾時間和排污時間定時器。過濾時間以小時為單位,最大到 999 小時,出廠值為120h(5天);排污時間以秒為單位,最大時間60秒,出廠值40s(秒)。接通電源,用選擇開關進入自動狀態,首先進行過濾,過濾時間定時器開始計時,同時壓差開關也將實際壓差與設定壓差進行比較,如果設定的過濾時間到了,而壓差沒有到,機器也打開排污閥進行清洗排污,過濾時間停止計時,排污時間開始計時;當排污時間到,關閉排污閥,停止清洗排污,排污時間停止計時,過濾時間開始計時,進入下一個循環;如果設定的過濾時間沒到,而壓差到了,機器打開排污閥進行清洗排污,過濾時間停止計時,排污時間開始計時;當排污時間到,關閉排污閥,停止清洗排污,排污時間停止計時,過濾時間開始計時,如此循環往復。將“手動/自動”選擇開關旋轉至自動位置(“壓差/定時”開關在“壓差”位置)接通電源,用選擇開關進入自動狀態,首先進行過濾,此時過濾時間計時器不計時,壓差值達到設定值后開始清洗排污,排污時間到達 設定值后結束,進入下一個過濾周期,如此循環往復。 (三)自動排污過濾器扳手控制:系統提供了定時/壓差控制、壓差控制、手動控制三套有效的控制方案,互為補充確保系統安全。當出現極端情況如電器故障排污閥不能電動打開,就可以使用專用扳手從排污閥電動頭處手動打開,清洗電機同樣可以用扳手手動控制。 
壓差指示儀在出廠時已經調整好設定值,為 1.0Bar。在壓差指示儀的低壓連接端上側有一個調整壓差值的調節盤,順時針撥動調節盤時,壓差設定值下降。反之,則上升。
信息來源:
www.cdruiyu.cn
聯系人:張女士 13462390461
QQ:3524791964
|