|
一、DDB型多點干油泵適用于公稱壓力為10MPa,潤滑點不超過50點的多線式干油集中潤滑系統中。
該型多點干油泵是直接或通過單線片式給油器向各潤滑點供送潤滑脂的輸送供油裝置,特別適用于破碎機、鍛壓機床、印刷機、碼頭行吊等小型的單機設備。
二、DDB型多點干油泵技術參數
|
型 號
|
出油口數
(點)
|
公稱壓力
MPa
|
每口給
油量mL/次
|
給油次數
次/min
|
貯油器
容積L
|
電機功率
KW
|
重量
kg
|
|
DDB-10
|
10
|
10
|
0~0.2
|
13
|
7
|
0.37
|
19
|
|
DDB-18
|
18
|
23
|
0.55
|
75
|
|
DDB-36
|
36
|
80
|
如需其它型號,請致電:0373-2678256 18790626067
|
使用介質為錐入度不低于265(25℃,150g)1/10mm的潤滑脂(NLGI0#~2#)。工作環境溫度0~40℃。
三、外形結構及尺寸
|
 |
|
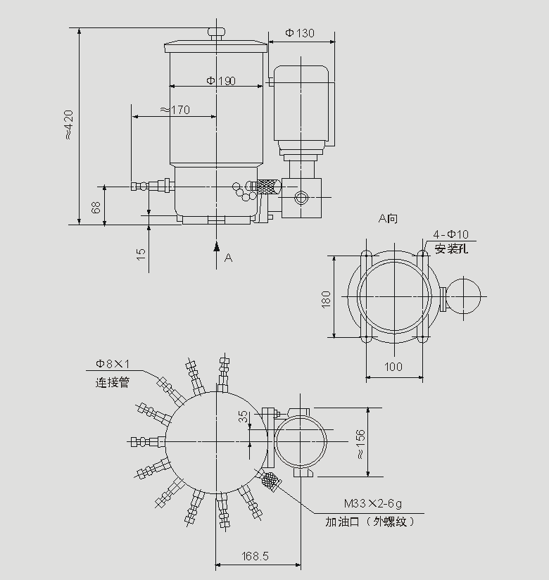
DDB-10型多點干油泵 |
 |
|
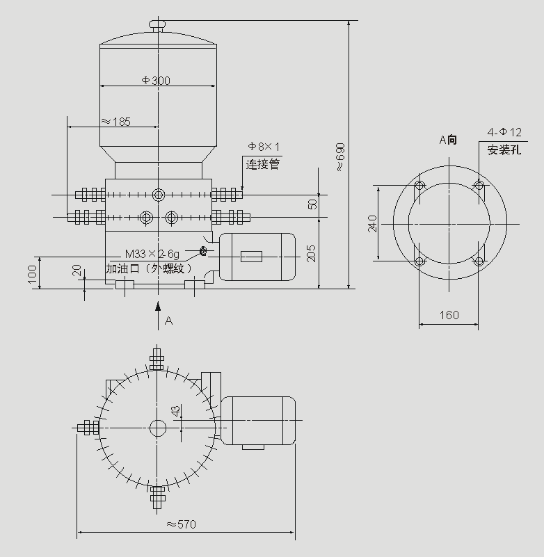
DDB-18、DDB-36型多點干油泵
四、使用說明
1、本系列多點干油泵應安裝在環境溫度合適、灰塵少、便于補脂、調整、檢查、維護保養等都方便的場合。
2、DDB系列多點干油泵使用前先向一級減速箱內加入HL-20齒輪油至油標規定液面。
3、向干油泵貯油器內補脂必須使用SJB-D60型手動加油泵或DJB-200型電動加油泵從貯油器的加油口加入,注意在貯油器內無潤滑脂時嚴禁啟動電機。
4、按貯油桶壁上旋向牌規定的旋向進行電機接線,不得反轉。
5、加油口的過濾網精度不低于0.2mm,應定期清洗。
6、干油泵應經常保持清潔,嚴禁揭蓋補脂以免臟物進入泵體內,影響正常工作。
|
信息來源:
www.cdruiyu.cn
聯系人:張女士 13462390461
QQ:3524791964
|