一、使用條件 |
Y型系列過濾器是石油、化工等輸送管線上必不可少的設備,具有結構緊湊,使用方便,過濾能力大,壓力損失小,安全可靠,價格低廉等優點。本產品規格齊全,適用性強,若將它安裝在泵的入口或系統管線的有關部位,可提高泵及設備的使用壽命,又能保證整個系統安全穩定的運行。
過濾器是從流體中分離固體顆粒的過程,通常在壓差推動下,迫使流、固相混合物通過過濾介質使固體顆粒截留于介質上,達到使流體和固體互相分離的功能。 |
|
|
|
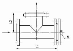
二、技術參數及外形尺寸 |
YZ- Ⅰ型(4MPa)
 |
|
公稱直徑DN
|
D0
|
L
|
H
|
管塞螺紋N
|
|
15
|
Rc1/2″
|
120
|
160
|
ZG1/4″
|
|
20
|
Rc3/4″
|
130
|
170
|
ZG1/4″
|
|
25
|
Rc1″
|
140
|
175
|
ZG1/4″
|
|
32
|
Rc1 1/4″
|
170
|
185
|
ZG1/4″
|
|
40
|
Rc1 1/2″
|
190
|
195
|
ZG1/4″
|
|
50
|
Rc2″
|
220
|
210
|
ZG3/8″
|
YZ-Ⅰ型為整體鑄造螺紋連接式過濾器(DN15~50,PN≤4.0MPa)
|
|
YZ- Ⅱ型(10MPa)
 |
|
公稱直徑DN
|
D0
|
L
|
H
|
管塞螺紋N
|
|
15
|
21.8/18.5
|
120
|
170
|
ZG1/4″
|
|
20
|
27.4/25.5
|
130
|
180
|
ZG1/4″
|
|
25
|
34.2/32.5
|
140
|
185
|
ZG1/4″
|
|
32
|
42.9/38.5
|
170
|
210
|
ZG1/4″
|
|
40
|
48.8/48.5
|
190
|
220
|
ZG1/4″
|
YZ-Ⅱ型為整體鑄造承插焊連接式過濾器(DN15~40,PN≤10.0MPa)
|
|
Y- Ⅰ型(5MPa)
 |
|
型 號
|
公稱直徑DN
|
公稱壓力PN
|
L
|
H
|
管塞螺紋N
|
|
Y15-I
|
15
|
|
260
|
180
|
ZG1/4″
|
|
Y20-I
|
20
|
|
270
|
190
|
ZG1/4″
|
|
Y25-I
|
25
|
≤5.0MPa
|
270
|
190
|
ZG1/4″
|
|
Y32-I
|
32
|
|
280
|
230
|
ZG1/4″
|
|
Y40-I
|
40
|
|
280
|
230
|
ZG1/4″
|
Y-Ⅰ型為焊接型法蘭連接式過濾器(DN15~40,PN≤5.0MPa)
|
|
Y-Ⅱ型(5MPa)
 |
|
公稱直徑DN
|
L
|
H
|
管塞螺紋N
|
|
50
|
290
|
245
|
ZG3/8"
|
|
65
|
320
|
280
|
ZG3/8"
|
|
80
|
350
|
315
|
ZG3/8"
|
|
100
|
425
|
360
|
ZG3/8"
|
|
150
|
540
|
460
|
ZG3/4"
|
|
200
|
700
|
540
|
ZG3/4"
|
|
250
|
800
|
660
|
M20×1.5
|
|
300
|
950
|
750
|
M20×1.5
|
|
350
|
1050
|
845
|
M20×1.5
|
|
400
|
1250
|
920
|
M20×1.5
|
Y-Ⅱ型焊接型法蘭連接式過濾器
|
|
Y-Ⅲ型(5MPa)
 |
|
公稱直徑DN
|
L
|
H
|
管塞螺紋N
|
|
80
|
330
|
150
|
ZG3/8"
|
|
100
|
360
|
160
|
ZG3/8"
|
|
150
|
440
|
200
|
ZG3/4"
|
|
200
|
540
|
230
|
ZG3/4"
|
|
250
|
600
|
270
|
M20×1.5
|
|
300
|
680
|
300
|
M20×1.5
|
|
350
|
750
|
340
|
M20×1.5
|
|
400
|
850
|
380
|
M20×1.5
|
Y-Ⅲ型焊接型法蘭連接式過濾器
|
|
|
三、型號標注說明 |
|
|
四、工作原理
Y-Ⅰ型、Y-Ⅱ型,它們是由主管和支管按一定角度焊接而成,當液體進入置有相應規格濾網的濾筒后,其微小雜質濾至支管底部,而濾液則由過濾器出口排出。
Y-Ⅲ型它安裝在管線轉彎處,當流體進入濾筒后,濾液能轉過90°從出口排出。清洗時,旋開支管底部的旋塞或拆卸開板即可。
五、濾網規格及各部分材質 |
|
濾 網 規 格
|
|
目數/英寸
|
20
|
30
|
40
|
60
|
80
|
100
|
|
絲徑(mm)
|
0.417
|
0.315
|
0.213
|
0.122
|
0.102
|
0.081
|
|
凈孔徑(mm)
|
0.853
|
0.532
|
0.422
|
0.301
|
0.216
|
0.173
|
|
有效面積%
|
45
|
40
|
45
|
51
|
47
|
46
|
|