|
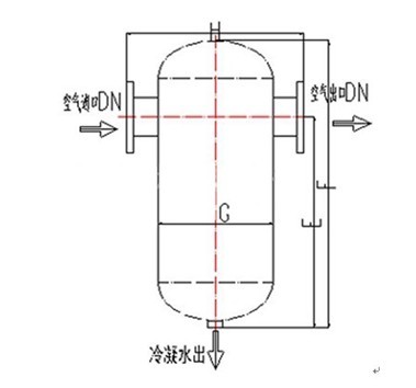
汽水分離器工作原理
通過五級分離—降速、離心、碰撞、變向、凝聚等原理,除去壓縮空氣(氣體)中的液態水份,達到凈化的作用。常安置在后冷卻器的后面。 汽水分離器產品特點
除水效率高:可除去99%的液態水份 體積小、重量輕。 安裝方便,管道式連接、可懸掛安裝。 免維護、可靠性好。 壽命長:可使用20年。 按GB150壓力容器標準制造,安全可靠。 可選配:自動排水器或手動排水器;液位計;不銹鋼材料;高的壓力。

汽水分離器的規格型號
| 型號 | 口徑 | 外形尺寸mm | 處理量m3/min | 排污口尺寸 | 內管 | 配套后冷卻器型號 | | E | F | G | H | | HYFM-QF | DN32 | 280 | 400 | 133 | 330 | 6 | 自動放水閥 |
| HL4/1 ,HL2/1 | | HYFM-QF | DN50 | 400 | 600 | 159 | 360 | 18 | 自動放水閥 |
| HL5/1,6/1, | | HYFM-QF | DN65 | 400 | 750 | 159 | 360 | 18 | 自動放水閥 |
| HL10/1 | | HYFM-QF | DN80 | 510 | 760 | 219 | 420 | 42 | 自動放水閥 |
| HL13/1,20/1 | | HYFM-QF | DN100 | 580 | 850 | 273 | 480 | 60 | 自動放水閥 |
| HL40/1 | | HYFM-QF | DN125 | 580 | 920 | 325 | 585 | 60 | 自動放水閥 |
| HL60/1,70/1,80/1 | | HYFM-QF | DN150 | 650 | 990 | 426 | 650 | 120 | 自動放水閥 |
| HL100/1 | | HYFM-QF | DN200 | 630 | 1040 | 426 | 630 | 150 | 自動放水閥 |
| HL150/1 | | HYFM-QF | DN250 | 770 | 1180 | 478 | 680 | 200 | 自動放水閥 | 325 | HL200/1 | | HYFM-QF | DN300 | 840 | 1300 | 630 | 830 | 400 | 自動放水閥 |
| HL370/1 | | HYFM-QF | DN400 | 1180 | 1910 | 820 | 1090 | 600 | 自動放水閥 |
| HL370/1 | | HYFM-QF | DN450 |
| 2200 | 920 |
|
| 自動放水閥 |
|
|
汽水分離器技術參數
設計壓力 :1.0MPa 水壓試驗壓力 :1.25 MPa 設計溫度 :80℃ 腐蝕裕度 :1mm 分離效率 :99% 材料 :Q235-B
信息來源:
www.cdruiyu.cn
聯系人:張女士 13462390461
QQ:3524791964
|